
來源: 發布時間:2017-08-18 11:08:56 瀏覽次數:次
音樂噴泉是由電腦控制聲、光及噴孔組合而產生不同形狀、不同色彩、配合音樂節奏而構成的綜合水景。音樂噴泉的聲、光、色、形俱美,常常用作風景園林的主景。隨著國民經濟的發展和人民生活水平的提高,人們越來越注重環境的改善和美化、音樂噴泉在小區、公園、休閑廣場得到了廣泛的應用。音樂噴泉的控制系統是音樂噴泉設計的核心。下面的MZ510系列變頻器在南京某廣場的應用為例,闡述音樂噴泉的變頻控制。
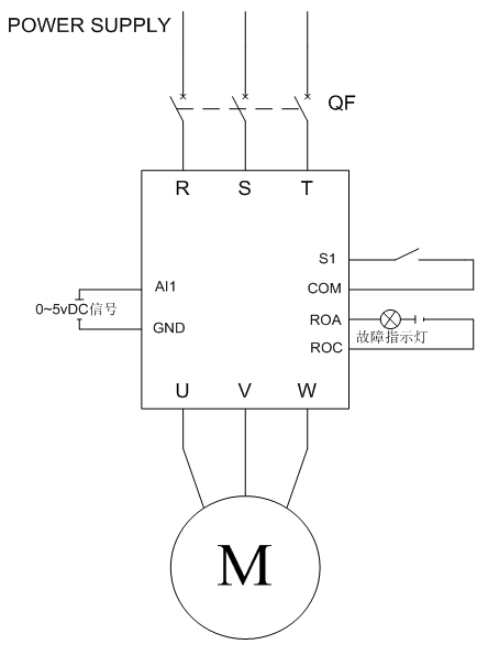
音樂噴泉控制系統主要由音頻控制信號、變頻器、水泵、多功能閥、萬向噴頭及水管組成。噴泉水泵采用變頻調速技術、實現水泵的無級調速,能根據音頻信號的強弱隨時調節水泵的轉速。多功能閥和萬向噴頭由噴泉專用控制器控制,可根據程序實現各種圖案和形狀。我們利用音樂的音頻信號對變頻器進行控制,音樂的音頻信號本身是一個功率很小的交流電壓信號,經過整流濾波穩壓 可以輸出一個相對應的直流電壓信號,相對來講該信號很微弱,再經過對該信號進行功率放大,可以輸出0-5V的標準直流電壓信號,即可以實現音頻信號對變頻器的控制,即對水泵浪花的控制,從而實現音樂對噴泉浪花的控制。控制系統流程圖如下圖所示:
MZ510系列變頻器是中智電氣南京有限公司推出的經濟型矢量變頻器。MZ510無PG矢量量型變頻器采用先進的磁通算法具有以下特點:
Ø 起動轉矩大0.5Hz/150%(SVC)
Ø 過載能力強150%額定電流60S;180%額定電流10S
Ø 調速范圍寬 1:100
Ø 穩速精度高 ±0.5%高速度
Ø 動態響應快 <20mS
Ø 加減速特性優良 0.1S
MZ510優良的加減速特性能配合負載水泵實現短時間內平穩的加減速;MZ510快速的動態響應能及時檢測再生功率,實現無跳閘的自動加減速過程,能伴隨著音頻信號的變化、瞬間改變變頻器的輸出頻率、從而改變噴泉水柱的波形,使水柱波形和音頻信號實現了同步、不失真。
Ø P0-02=1 段子指令通道
Ø P0-03=1 模擬量AI1設定頻率
Ø P0-17=1.5S 加速時間
Ø P0-18=1.5S 減速時間
Ø P1-01=11KW 電機額定功率
Ø P1-02=380V 電機額定電壓
Ø P1-03=23A 電機額定電流
Ø P1-04=50Hz 電機額定頻率
Ø P1-05=1460rpm 電機額定電流
Ø P4-15=5V AI1上限值
Ø P4-17=2.5s AI1輸入濾波時間
Ø P5-02=4 繼電器故障輸出
Ø P9-09=10 故障自動復位次數
Ø P9-11=0.5s 故障自動復位間隔時間

(1)音頻信號干擾問題
從變頻器的工作原理知道,當變頻器運行時其輸入輸出側會產生高次諧波,此諧波信號通過傳導、輻射、耦合等方式對其他設備產生干擾。音樂噴泉系統中諧波干擾會經過音頻放大系統放大后形成刺耳的噪聲并影響音樂的播放。調試時遇到這種情況采取以下措施:[1]降低變頻器的載波頻率[2]變頻器可靠接地、接地線采用線徑較粗的線,并且接地點與變頻器距離要盡量短[3]變頻器的輸入輸出動力線盡量遠離音頻信號線和控制線,不要將動力線和控制線走在同一個線槽中[4]音頻信號系統的電源盡可能與變頻器的供電電源隔離等
(2)變頻器的跳保護問題
噴泉水泵隨音頻信號的強弱隨時調節轉速,這就要求變頻器響應速度快。在調節變頻器的參數時加減速時間應盡量短,但加減速時間過短容易出現過流保護,應根據現場的實際情況設置合適的加減速時間。為了降低音頻調頻信號干擾,模擬量AI1需適當設置濾波時間。MZ510系列變頻器具有故障自動復位功能。為了避免干擾信號引起變頻器的故障,在調試時可將此功能打開。

MZ510在南京某廣場項目的成功應用為音樂噴泉控制行業提供了一個應用的典范。事實證明,MZ510具有優良的控制特性能夠滿足音樂噴泉瞬時同步的控制需要、使水柱伴隨著音頻信號的變化而變化,在節能的同時給人帶來了夢幻般美妙的感受。
上一篇:中智變頻器在注塑機上的應用
下一篇:中智變頻器在油泵試驗臺的應用
